MCU不工作失效分析案例
一、案例背景
在对电路板上MCU的电压监测点进行测量时发现电压只有0V,初步排查确认是MCU未工作,排查过程中发现产品静止一段时间后故障会消除,温箱烘烤30分钟后复现。在采取措施后故障消除,发现故障MCU引脚存在黑色异物 。
二、分析过程
1、失效样品#1
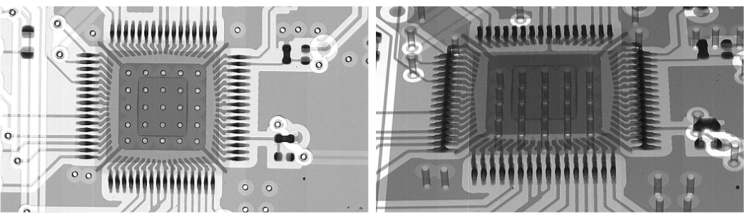
1)X-RAY检测

测试结果:未发现明显异常。
2)外观分析

测试结果:主芯片U1引脚位有三防发黑的现象。
3)电性能参数测试

测试结果:与OK品做比对,三防发黑位置的引脚通电测试未见异常。
4)切片断面分析
沿引脚纵向研磨四次,对每次研磨后的断面进行观察,确认引脚间异物以及引脚焊接状态。
a. 第一次切片断面分析
▼ 断面金相分析

▼ 断面SEM分析

测试结果:三防和PCB之间局部位置未有效结合,存在间隙。
▼ 断面EDS分析



测试结果:失效样品#1第一次切片断面位置成分分析,三防与PCB结合缝隙位置检出异常元素Sn。
b. 第二次切片断面分析
▼ 断面金相分析

测试结果:引脚焊接润湿良好,无焊接异常。
c. 第三次切片断面分析
▼ 断面金相分析

▼ 断面SEM分析

测试结果:三防和PCB之间局部位置未有效结合,存在间隙。
▼ 断面EDS分析


测试结果:三防与PCB结合缝隙位置检出异常元素Sn,且含量较高(7.03%)。
d. 第四次切片断面分析
▼ 断面金相分析

测试结果:引脚焊接润湿良好,无焊接异常。
2、失效样品#2
1)X-RAY检测

测试结果:未发现明显异常。
2)外观分析

测试结果:主芯片U1引脚位有三防发黑的现象。
3)电性能参数测试

测试结果:与OK品做比对,三防发黑位置的引脚通电测试未见异常。
4)切片断面分析
▼ 断面SEM分析


测试结果:发黑位置的三防填充有空洞异常。

测试结果:部分引脚间发黑位置的三防与PCB结合处存在间隙,在PCB侧和三防侧存在连续的Sn连接异常。
▼ 断面EDS分析


测试结果:对引脚间异常连续的物质成分测试,判断为Sn。
3、正常品#3
1)电性能参数测试

三、分析结果
具体失效解析如下:
① 引脚间三防工艺缺陷:三防填充存在空洞、与PCB结合有缝隙;
② 部分引脚间三防和PCB结合缝隙位置,存在连续的Sn连接异常,引起引脚间阻抗降低,导致引脚间漏电,发生功能失效。
四、改善建议
② 改进三防工艺,避免产生空洞,以及提高三防与PCB结合致密性。
